Laboratory countertop epoxy marine edges
Our laboratory countertops epoxy marine edges are engineered for uncompromising performance in high-demand lab environments. Crafted from premium epoxy or phenolic resin, these countertops deliver exceptional chemical resistance, heat tolerance, and durability—ideal for handling corrosive substances and frequent cleaning. The marine edge design eliminates water pooling and prevents liquid seepage, safeguarding cabinetry and ensuring long-term structural integrity. Precision-machined for a seamless finish, they fit seamlessly into lab workflows while meeting global safety standards . Lightweight yet robust, our marine edge countertops balance functionality and longevity, making them the trusted choice for research, clinical, and industrial labs worldwide.

Feature
- Chemical resistance against acid, alkalie
- Prevents liquid seepage to lab cabinat
- Many size and color to match countertop edge.


Epoxy marine edge countertops specification
| Name | Laboratory countertop epoxy marine edges |
|---|---|
| Feature | Chemical resistant, super length ,easy installation |
| Material | Epoxy resin |
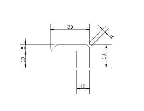
| Type1 | EDG12.7 |
| Size | 3200/18/30 mm |
| Application | Designed for 12.7 mm thick phenolic resin boards, solving the water blocking problem of the phenolic laminate countertop |
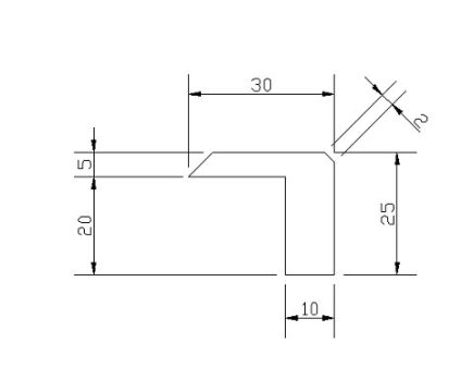
| Type2 | EDG20 |
| Size | 3200×25/30 mm |
| Application | Suitable for edge sealing and water blocking of phenolic laminate boards, epoxy boards and ceramic boards with a thickness of 20 mm. |
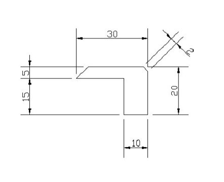
| Type3 | EDG15 |
| Size | 3200×20/30 mm |
| Application | Suitable for edge sealing and water blocking of phenolic laminate boards, epoxy boards and ceramic boards with a thickness of 15 mm |
| Colors | Black,Grey, White |
| Height of the raised part for water retaining | 5 mm |
Marine edge section details



Marine section samples

Laboratory countertop epoxy marine edge

Epoxy marine edge countertop

Fume hood marine edge worktop

Epoxy marine edge countertops project

Packing

A Professoinal laboratory countertop epoxy marine edges supplier
